2. Der Stromkreis

Elektrizitaet ist, wenn ich mit Widerstand aufstehe, mit Spannung das Haus verlasse, geladen nach hause komme, zuhause in die Dose fasse und dann eine gewischt bekomme.

Na ja, war auch nicht kindertauglich.
Neuer Versuch:

Strom ist, wenn sich Ladungen bewegen.

Fragt sich nur, was Ladungen sind!

Kinder wollen etwas zum ansehen. Nehmen wir an, die geladenen Teilchen sind wie Wassertropfen. Allerdings haben wir immer zu wenige davon.  Deshalb muessen wir sie im Kreis herumpumpen


Abbildung 2.1: Wasserkreislauf mit Wasserrad

Die Pumpe pumpt das Wasser immer wiedre hoch. Anschliessen fliesst das Wasser zu Wasserrad. Dort faellt es herab und dreht das Rad.
Das Rad hat um so mehr Kraft, je mehr Wasser fliesst. Die Geschwindigkeit haengt aber davon ab, von wie hoch das Wasser herabfaellt.
Die Leistung des Wasserrades ist das Produkt aus Fallhoehe und Wasserdurchflusss.
Uebrigens: Es fliesst genausoviel Wasser zum Wasserrad wie vom Wasserrad weg. Falls es anders waere, musste ja der See unter dem Wasserrad entweder ueberlaufen oder austrocknen.


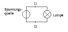
Abbildung 2.2: Stromkreislauf zu Abbildung 2.1

Hier wurde die Pumpe durch eine Spannungsquelle ersetzt. Das Wasserrad wurde durch die Gluehbirne ersetzt. An stelle des Wassers fliessen jetzt Elektronen. Der Strom entspricht der Anzahl der Elektronen, die pro Sekunde durch den Draht fliessen. (Oben war es das Wasser, das durch die Leitung fliesst). Die Fallhoehe des Wassers aus Abbildung 2.1 entspricht nun der Spannung, die zwischen den Anshchluessen der Gluehbirne liegt.
Die Leistung der Gluehbirne ist das Produkt aus Spannung und Strom.
Uebrigen: Es fliesst genausoviel Strom zur Gluehbirne (I1) wie von der Gluehbirne weg (I2). Die Leitung hat ja kein Leck.
 

2.1    Reihenschaltung

Natuerlich kann man in  den Stromkreis auch zwei Gluehbirnen einbauen. Im Wasserkreislauf entspricht das zwei Wasserraedern.


Abbildung 2.3: Wasserkreislauf mit zwei in Reihe geschalteten Wasserraedern

Natuerlich muss die Pumpe jetzt das Wasser doppelt so hoch  pumpen wie zuvor. Die Menge des gepumpten Wassers bleibt aber gleich.
Im Stromkreis bedeutet die doppelte Pumphoehe die doppelte Spannung. Der Strom ist genauso gross wie zuvor.

Abbildung 2.4: Stromkreis mit zwei in Reihe geschaltetetn Lampen

An jeder Lampe faellt die halbe Spannung ab (vorausgesetzt, die  Gluehbirnen sind gleich).

U=U1+U2
 

2.2 Parallelschaltung

Man kann die Wasserraeder auch nebeneinander anordnen. Jetzt benoetigen wir wieder die gleiche Pumphoehe wie in der ersten Anordnung mit nur einem Wasserrad. Allerdings fliesst jetzt doppelt so viel Wasser durch die Pumpe.

Abbildung 2.5: Wasserkreis mit zwei nebeneinander (parallel) angeordneten Wasserraedern

Die entsprechende elektrische Schaltung benoetigt die gleich Spannung wie die Schaltung mit einer Gluehbirne, aber es fliesst ein doppelt so grosser Strom.  Die zwei Gluehbirnen erzeugen ja auch doppelt so viel Licht.

Abbildung 2.6: Elektrischer Stromkreis mit parallel geschaltetetn Gluehbirnen

Fuer die Stroeme gilt uebrigens:

I=I1+I2