Precision Trigger Circuits

Using Two Reference Voltages

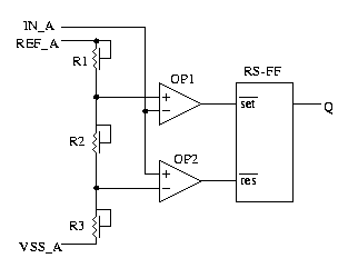
To avoid the temperature dependence of a built in offset two references can be used. The most reliable implementation uses two identical comparators and an set-reset-flipflop (RS_FF). In the example shown the two references are created by the divider R1 to R3.


Fig. 1: Precision trigger circuit with two amplifiers and RS flip flop.

This circuit can be implemented in MOS as well as in bipolar technologies.

MOS technology allows the following low power variant of the circuit shown in figure 1:

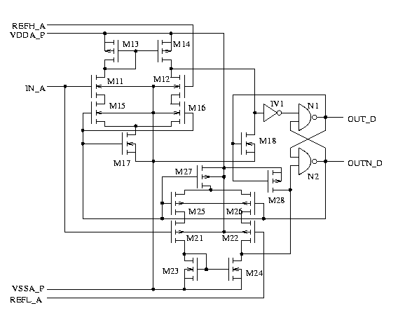
Fig. 2: MOS comparator with bias-self-turn-off

To understand how it works let us assume a rising edge at input IN_A.
The reference voltage REFH_A is higher than REFL_A. As long as the input voltage is below REFL_A the output OUT_D is low and OUTN_D is high. Long channel M17 is on. Short channel M15 and M16 are on too.  The opposit comparator M21 to M27 is unbiased. Long channel M28 is on to prevent the input of N2 from floating.
As long as the input signal IN_A is below the threshold of M11 no bias current flows through the path M11, M13, M15, M17. M12 and M17 pull the input of IV1 low and the flip flop N1, N2 remains as before.
Once IN_A exceeds the upper reference REFH_A M11, M13, M14 turn on. The flip flop N1, N2 switches. OUT_D becomes logic 1 and OUTN_D becomes logic 0.
After switching the flip flop M15, M16, M17 turn off thus eliminating the current flow in the first comparator again. Long channel M18 turns on to prevent the input of IV1 from floating.
Now the second comparator is active. Long channel M27 and short channel M25 and M26 bias the differential stage M21, M22. Since the signal at IN_A is significantly higher than REFL_A the current flow through M21, M23, M24 is very low or almost 0.
A falling edge at IN_A will turn on M21, M23, M24 when IN_A drops below REFL_A. This will flip the flip flop N1, N2 and then turn off the bias through M27 again. Now we are back to the state we started from.
The corresponding current consumption can be seen below.


Fig. 3: Current consumption w.r.t. input voltage at IN_A

WARNING: The circuit of figure 2 was patented by ST-Microelectronics 1994  (EP 0 640 259 B1). Please check license agreements before using it.

Since building comparators or amlifiers with low offset is expensive a cheaper solution is tempting.


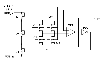
Fig. 4: Precision trigger with one comparator and a reference switch

Here the output of the amplifier switches the transmission gates M1 to M4 to create the hysteresis. The circuit has the risk of oscillation if the capacities of the switches are not balanced and the slopes of the amplifier output capacitively (via the gate capacities of M1 to M4) feed back to the inputs of the amplifier.
To solve the problem the amplifier OP1 can be made gain-1-stable (see stability considderations of amplifiers with feed back).  This is the most secure solution that provides stability no matter which parasitic capacities are encountered in the switches. Frequency compensation however reduces the speed of the circuit.
Alternatively the capacities of M1 to M4 can be minimized so far that the cut of frequency of the unintentional feed back gets too high to fall into the gain-bandwidth product of OP1.
Usually a combination of both methods is used.

The circuit can only be implemented in MOS technologies. Bipolar technologies suffer from base currents and saturation voltages. Therefore the switches can barely be implemented in a bipolar technology.

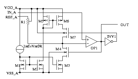
Since resistors are large it may be desireable to eliminate R2 and R3. The following circuit works fine in case a reference current created by Vref/R is available.


Fig. 5: Deriving the second reference by a current generator and a resistor.

Since M7 and M4 switch currents in stead of voltages this concept can be used for MOS as well as bipolar implementations.

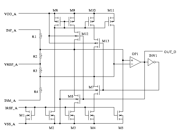
The following figure shows a fully symmetrical implementation as often used for differential line receivers.. Due to the symmetry of the design most parasitic capacities cancel (provided the layout is symmetrical accordingly).  Since most differential receivers are intended to switch with a certain offset M5 and M11 have been added to create an offset.
To avoid rectification at the well diodes of the resistors R1 to R4 preferably should be implemented as poly silicon resistors.
VREF_A intends to define the DC operating point of OP1.


Fig 6: Concept of a high speed CAN receiver.

This circuit can be built in bipolar technology as well.