Relaxation Oscillators

(Last update May 13 2017)

Relaxation oscillators create non sinusoidal signals. Usually the output signal is rectangular or some kind of triangular. As an amplifier most of these designs use trigger stages that flip between two operating points. The circuits usually are robust and cheap.
 

Simulation considderations

Due to the fact that these circuits oscillate there usually is no DC convergence. To allow DC simulations the oscillators must either be taken out of the design or they must be held in one state either by holding a node (some simulators have a hold node option) or by explicitly designing an enable signal that is used to disable the oscillator for DC simulations.
A second problem is the simulation of large systems using a digital top level simulation. There a macromodel is needed. The verilog description of an oscillator could look similar to this code.
The model holds the supplies Vcc2 and Gnd2 and an enable signal called nSLEEP_D. TRIM0_d to TRIM2_D are trim bits. TRIMS_D chooses between trimming up or trimming down. To create a defined start condition (mandatory for almost all digital simulators) a reset signal RESET_D is provided. OSCOUT_D and OSCOUTN_D are complementary output signals.
 

The Circuits

The most simple idea is just using an inverting schmitt trigger with a low pass. It works but accuracy is very poor. Including capacitor tolerances and resistor tolerances over all accuracy may be as bad as -70%, +150%!


Fig. 1: Most simple RC oscillator

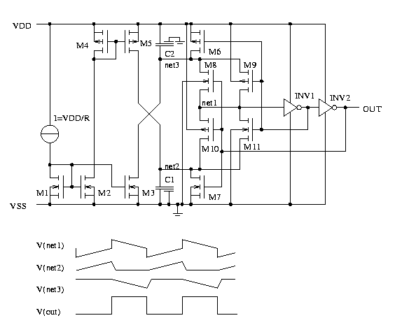
To eliminate the tolerances of the schmitt trigger the following circuit can be used.


Fig. 2: Oscillator without schmitt trigger accuracy impact.

Usually both capacitors are designed equal and both charging current are equal. This way the capacitors are alwas charged from 0V to the threshold of inverter INV1 or from VDD to the threshold of inverter INV1. Changes of the MOS transistor parameters impact the duty cycle, but not the frequency.
The circuit requires a bias current proportional to VDD to become supply voltage independent.

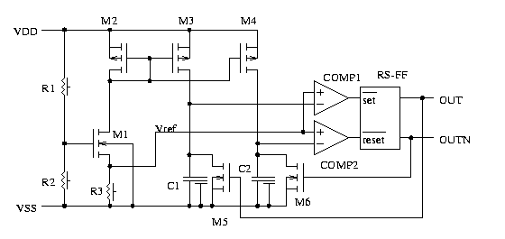
If a stable duty cycle is needed additionally a precision schmitt trigger must be used.


Fig. 3: Oscillator with stable duty cycle

The source voltage of M1 is the reference the capacitors alternately are charged to. Since the charge current is proportional to the reference voltage the reference voltage itself cancels in the equations of the frequency (assuming unlimited fast comparators).

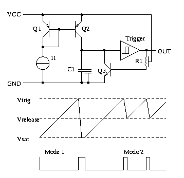
Bipolar designers will mind the high number of transistors. The size of a minimum bipolar transistor often is as big as a complete flip flop in MOS technologies. Therefore bipolar designers sometimes use small, but less robust circuits.


Fig. 4: Low cost bipolar oscillator

The design uses a simple bipolar schmitt trigger designed with a stable upper threshold. Depending on the turn off delay of Q3 the oscillator may run in two different modes.
If the turn off delay is longer than the time needed to discharge C1 from the lower threshold of the trigger stage to 0V (or almost 0V) the oscillator runs in mode 1. If the turn off delay of Q3 is shorter the oscillator operates in mode 2 or something between the two modes. The risk of the design is that the turn off delay depends on various parameters:
    - Minority carrier life time of the process
    - Chip temperature (changes B and minority carrier life time)
    - gain B of Q3
    - Peak discharge current (Q3 may go into inner saturation)
    - Sinker resistance
    - Base drive current of Q3
Concluding we can see the circuit is cheap but hazardous.

The following figure shows a nice RC oscillator with one capacitor.


Fig. 5: Symmetrical bipolar RC oscillator

The circuit charges and discharges C1 through Q5 or Q9. Comparator Q10, Q11 switches between charging and discharging. The swing is defined by the current through R1 and R5. R1 and R2 must be sized such that Q5 does not saturate. Usually the amplitude at R2 is in the range of 100mV to 300mV.
Without Q6 and Q7 the oscillator would have an undesired stabel point: Assume Q10 and Q11 carry the same current. In this case Q4 and Q5 (without the flip flop Q6 and Q7) would exactly be balanced and the capacitor would neither be charged nor be discharged. In this point the circuit without Q6 and Q7 would become a two stage OTA with a dominant pole created by C1 in the feed back path. Q6 and Q7 are needed to prevent this operating point. R3 and R4 should be scaled to obtain a drop of 100mV to 300mV so that Q6 and Q7 will not saturate.